- 泰兴市五星减速机有限公司
- 全国咨询热线:18068306736
- 无锡销售部地址:无锡市北塘区凤宾路联东u谷商务园
- 电话:0523-85511968
0523-85511868 - 传真:0523-85750668
0523-85511268 - http://www.wu-xing.cn
产品中心

QJY型起重机用硬齿面减速器,泰兴五星减速机2000多种常用型号均有货,可以当天发货,如果不满意可以完全退货。

1、产品分类
QJY系列减速器是因市场需求开发的硬齿面(渗碳、淬火齿面)起重机减速器,包括三大类12种基本型
其结构见图1,其型式代号与主要参数见表1。


2、性能特点:
(1)齿轮均采用优质低碳合金钢、渗碳、淬火、齿轮精度6级。
(2)精度高、效率高、传动平稳、噪音低,比调质齿轮减速器(QJ系列)体积小,重量轻,承载能力大
性高。
(3)焊接箱体结构。安装型式:三支点安装和地脚安装。
(4)输出轴型式:平键,渐开线花键,齿轮轴端,空心轴四种。
(5)-般采用油池润滑,自然冷却,立式减速器采用循环油润滑。
(6)采用滚动轴承。
应用范围:
1输入转速一般n1≤1500r/min。
2工作环境温度-40-+50℃。
3正反两向运转。
适用于各种类型起重机减速器选用。
3、装配型式(见图2):

ajYD2、OJYD3、QJYD23、OJYD34型采用地脚安装。
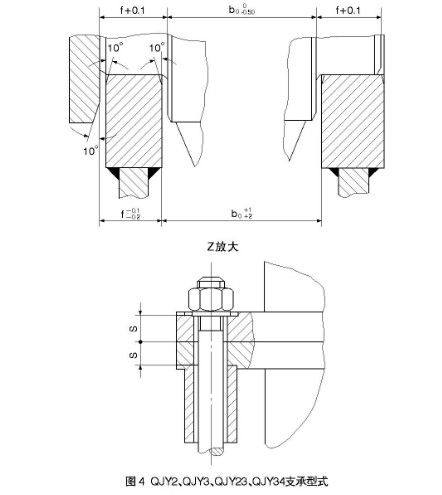
CJJY2、QJY3、QJY23、QJY34型采用三支点支承安装(安装方式见图4)
允许有卧式W或立式L两种方式(见图3)。

注:a。角的度数与传动比有关,当减速器倾斜a角时,应保证使中间级大齿轮浸油1-2个齿高深度(αo具体数据由用户自定)。
QJY2、QJY3、OJY23、QJY34型减速器支承型式见图4
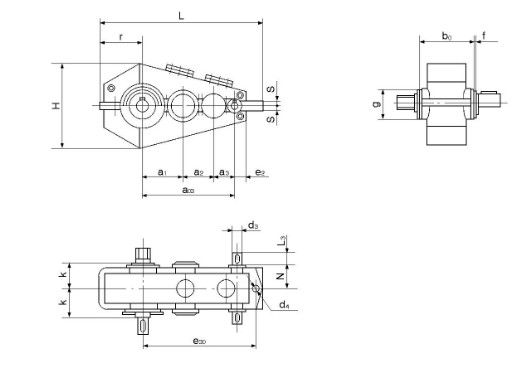
外壳支座(结构举例)


5、轴端型式
高速轴端采用圆柱轴伸平键联接。
输出轴端P-圆柱轴伸平键,单键联接;
H-圆柱轴伸渐开线花键联接:
c-齿轮轴端(仅用于中心距为236-560mm的减速器。)
轴端结构型式和尺寸参数见图5和表2


6、代号示例:
三支点支承起重机减速器

标记示例:
起重机减速器三级传动,名义中心距ai=560mm,公称传动比50,装配型式第111种,输出轴端为齿轮轴端,卧式安装则标记为:QJY3560-50IIICW
带底座起重机减速器

标记示例
起重机减速器二级传动,名义中心距a,=560mm,公称传动比i=20,第Ⅳ种装配型式,轴端型式为P型的标记为:QJYD2560-20ⅣP。
带空心轴起重机减速器

7、外形及安装尺寸
(1)表3QJY2、QJYA2减速器外形及安装尺寸


(2)表4QJY3、QJYA3减速器外形及安装尺寸












下一页:点线啮合齿轮减速机
![]() |






