- 泰兴市五星减速机有限公司
- 全国咨询热线:18068306736
- 无锡销售部地址:无锡市北塘区凤宾路联东u谷商务园
- 电话:0523-85511968
0523-85511868 - 传真:0523-85750668
0523-85511268 - http://www.wu-xing.cn
产品中心

YG系列(H112~225)辊道用三相异步电动机是在JG2系列的基础上设计而成的新一代高可靠性辊道电动机。
该电动机具有体积小、重量轻、性能好、使用可靠、维修方便等优点。该系列电动机能够在频繁起动、制动、正反转、反接制动等冲击生载荷和高温、多灰尘环境的恶劣条件下连续或断续工作,具有较高的过载能力,为钢厂工作辊道和运输的专用电动机,也可应用于其他机械设备上。
电动机按用途可分为YGa、YGb两种型式。YGa型电动机具有堵转转矩大、动态常数高、机械特性软的特点,能够频繁起动、制动和反转运行,适用于单独拖动冶金工业的工作辊道辊子。YGb型电动机具有功率大、效率高、机械特性硬的特点,通常只有单向运转,适用于单独拖动冶金工业的传送辊道辊子。
电动机额定电压380V,额定频率50Hz,电动机采用Y形联结,可以满压起动。在保持电压与频率成正比变化的条件下,YGa型电动允许在40~70Hz频率范围内使用(但堵转转矩和动态常数随频率的变化而变化);YGb型电动机可在10~70Hz频率范围内作恒转矩调速运行。
YGa型电动机主要用于断续工作制,负载持续率以Fc表示:分别为15%、25%、40%、60%四种,其中40%为基准定额。
YGb型电动机主要用于连续工作制(S1)。
型号含义

二、结构简介
YG系列电动机采用全封闭结构型式,外壳防护等级为IP54,机壳表面有环形散热筋,冷却方式为IC0041。
YGa型采用H级绝缘,YGb型采用下级绝缘(112~200mm)、H级绝缘(225mm)。
电动机增加了轴承润滑脂再补给装置,采用耐高温润滑剂,加强了机械强度。
电动机的安装型式有IMB3、IMB5和IMB35三种。
电机的接线盒位于机座左侧,从轴伸端看,如用户有特殊要求,要订货时说明,另行商议。
YGa型电动机技术数据表
型 号
|
堵转转矩
/(N·m)
|
堵转
电流
/A
|
功率
/kW
|
同步转速
/(r/min)
|
动态常数/(kg·m2/h)
|
转动惯量
/(kg·m2)
|
重量
/kg
|
|||
Fc=15%
|
Fc=25%
|
Fc=40%
|
Fc=60%
|
|||||||
YGa112L1-4
YGa112L2-4
YGa112L1-6
YGa112L2-6
YGa112L1-8
YGa112L2-8
YGa112L1-10
YGa112L2-10
YGa112L2-12
|
22
36
22
34
17
28
16
25
22
|
13
19
8.5
12
5.6
9
4.5
7.5
5.3
|
1.2
1.8
0.8
1.2
0.45
0.75
0.32
0.50
0.3
|
1500
|
94
140
215
290
350
495
520
700
1060
|
92
135
210
285
345
485
510
685
1030
|
90
130
205
280
335
470
490
660
990
|
86
125
200
270
320
450
465
625
930
|
0.0112
0.0166
0.0112
0.0166
0.0112
0.0166
0.0112
0.0166
0.0166
|
57
66
57
66
57
66
57
66
66
|
1000
|
||||||||||
750
|
||||||||||
600
|
||||||||||
500
|
||||||||||
YGa132M1-6
YGa132M2-6
YGa132M1-8
YGa132M2-8
YGa132M1-10
YGa132M2-10
YGa132M1-12
YGa132M2-12
|
50
71
42
60
38
56
36
53
|
18
24
12
17
9
13
8.0
11
|
1.7
2.4
1.1
1.6
0.75
1.1
0.56
0.85
|
1000
|
315
390
530
670
790
990
1130
1400
|
310
380
520
655
770
970
1090
1360
|
300
375
510
640
740
930
1050
1300
|
290
360
480
605
700
880
990
1220
|
0.0251
0.0333
0.0251
0.0333
0.0251
0.0333
0.0251
0.0333
|
90
98
90
98
90
98
90
98
|
750
|
||||||||||
600
|
||||||||||
500
|
||||||||||
YGa160S1-8
YGa160S2-8
YGa160S1-10
YGa160S2-10
YGa160S1-12
YGa160S2-12
YGa160S1-16
YGa160S2-16
|
80
110
80
110
75
105
50
75
|
22
30
18
24
15
20
9.5
13
|
2.2
3.0
1.6
2.2
1.2
1.6
0.48
0.75
|
750
|
810
1010
1220
1470
1670
2060
2770
3390
|
790
990
1190
1440
1620
2000
2660
3250
|
770
950
1150
1380
1550
1910
2500
3050
|
736
916
1090
1300
1440
1780
2290
2770
|
0.0646
0.0841
0.0646
0.0814
0.0646
0.0814
0.0646
0.0814
|
131
142
131
142
131
142
131
142
|
600
|
||||||||||
500
|
||||||||||
375
|
||||||||||
YGa160L1-8
YGa160L2-8
YGa160L1-10
YGa160L2-10
YGa160L1-12
YGa160L2-12
YGa160L1-16
YGa160L2-16
|
150
210
150
200
140
190
105
140
|
40
56
32
40
26
34
18
24
|
4.0
5.3
3.0
3.8
2.2
3.0
1.1
1.6
|
750
|
1230
1470
1880
2260
2590
3120
4340
5170
|
1200
1430
1830
2200
2510
3020
4160
4950
|
1160
1380
1760
2120
2400
2880
3990
4640
|
1110
1310
1670
2000
2230
2680
3540
4180
|
0.114
0.139
0.114
0.139
0.114
0.139
0.114
0.139
|
172
190
172
190
172
190
172
190
|
600
|
||||||||||
500
|
||||||||||
375
|
||||||||||
YGa180L1-8
YGa180L1-10
YGa180L2-10
YGa180L1-12
YGa180L2-12
YGa180L1-16
YGa180L2-16
|
280
250
320
250
320
190
250
|
67
48
60
42
53
30
38
|
6.7
4.8
6.0
4.0
5.0
2.2
3.0
|
750
|
1640
2500
2880
3600
4180
5850
6950
|
1600
2440
2810
3500
4050
5610
6670
|
1540
2350
2690
3340
3860
5270
6260
|
1460
2220
2530
3130
3610
4800
5710
|
0.237
0.237
0.294
0.237
0.294
0.237
0.294
|
229
229
252
229
252
229
252
|
600
|
||||||||||
500
|
||||||||||
375
|
||||||||||
YGa200L1-10
YGa200L2-10
YGa200L1-12
YGa200L2-12
YGa200L1-16
YGa200L2-16
YGa200L1-20
YGa200L2-20
|
400
500
400
500
320
420
250
340
|
75
95
63
80
90
63
36
48
|
7.5
9.5
6.3
8.0
4.0
5.3
2.0
2.8
|
600
|
3260
3790
4650
5470
7890
9100
11210
12980
|
3180
3690
4500
5300
7580
8710
10630
12250
|
3050
3530
4290
5040
7100
8100
9750
11150
|
2880
3320
4010
4700
6490
7370
8590
9690
|
0.509
0631
0.509
0.631
0.509
0.631
0.509
0.631
|
302
337
302
337
302
337
302
337
|
500
|
||||||||||
375
|
||||||||||
300
|
||||||||||
YGa225M1-10
YGa225M2-10
YGa225M1-12
YGa225M2-12
YGa225M1-16
YGa225M2-16
YGa225M1-20
YGa225M2-20
|
630
800
630
800
530
670
450
560
|
125
150
100
130
80
100
63
80
|
12.0
15.0
10.0
12.0
6.7
8.5
3.6
4.5
|
600
|
3870
4440
5550
6330
9380
10770
13830
15750
|
3740
4290
5350
6080
8950
10250
12990
14760
|
3550
4050
5050
5710
8310
9460
11760
13300
|
3280
3740
4650
5220
7460
8400
10050
11280
|
0.91
1.11
0.91
1.11
0.91
1.11
0.91
1.11
|
410
445
410
445
410
445
410
445
|
500
|
||||||||||
375
|
||||||||||
300
|
||||||||||
YGb型电动机技术数据表
型 号
|
连续定额
|
堵转转矩
/(N·m)
|
堵转电流
/A
|
转动惯量
/(kg·m2)
|
重量
/kg
|
||
功率
/kW
|
转速
/(r/min)
|
电流
/A
|
|||||
YGb112L1-4
YGb112L2-4
YGb112L1-6
YGb112L2-6
YGb112L1-8
YGb112L2-8
YGb112L1-10
YGb112L2-10
YGb112L1-12
YGb112L2-12
|
1.2
1.8
0.85
1.25
0.5
0.85
0.36
0.53
0.30
0.45
|
1410
1410
930
930
690
690
550
550
455
455
|
2.8
4.0
2.2
3.2
1.7
2.6
1.7
2.4
1.6
2.2
|
20
32
20
28
15
25
13
20
12
18
|
18
26
12
17
7
12
6
9
4.5
6.7
|
0.0112
0.0166
0.0112
0.0166
0.0112
0.0166
0.0112
0.0166
0.0112
0.0166
|
57
66
57
66
57
66
57
66
57
66
|
YGb132M1-6
YGb132M2-6
YGb132M1-8
YGb132M2-8
YGb132M1-10
YGb132M2-10
YGb132M1-12
YGb132M2-12
YGb132M1-16
YGb132M2-16
|
1.8
2.4
1.25
1.8
0.85
1.25
0.63
0.95
0.36
0.50
|
935
935
695
695
550
550
455
450
320
320
|
4.6
5.3
3.4
4.5
3.0
4.0
2.8
3.8
2.6
3.5
|
42
60
36
50
30
45
26
38
20
30
|
25
32
16
22
12
16
9.5
14
6.7
9.5
|
0.0251
0.0333
0.0251
0.0333
0.0251
0.0333
0.0251
0.0333
0.0251
0.0333
|
90
98
90
98
90
98
90
98
90
98
|
YGb160S1-8
YGb160S2-8
YGb160S1-10 YGb160S2-10 YGb160S1-12 YGb160S2-12 YGb160S1-16 YGb160S2-16
|
2.5
3.4
1.8
2.4
1.3
1.8
0.71
1.0
|
695
695
550
550
455
455
330
330
|
6.0
8.0
5.6
7.1
5.0
6.7
4.5
6.0
|
71
100
63
90
56
80
42
60
|
30
42
25
32
20
26
12
17
|
0.0646
0.0814
0.0646
0.0814
0.0646
0.0814
0.0646
0.0814
|
131
142
131
142
131
142
131
142
|
YGb160L1-8
YGb160L2-8
YGb160L1-10
YGb160L2-10
YGb160L1-12 YGb160L2-12 YGb160L1-16
YGb160L2-16
|
4.5
5.6
3.2
4.2
2.6
3.4
1.5
2.0
|
695
695
550
550
455
455
330
330
|
10.5
14
9.0
12
9.0
12
8.5
11
|
140
190
120
160
110
150
80
110
|
56
75
42
53
36
48
24
30
|
0.114
0.139
0.114
0.139
0.114
0.139
0.114
0.139
|
172
190
172
190
172
190
172
190
|
YGb180L1-8
YGb180L2-8
YGb180L2-10
YGb180L1-12
YGb180L2-12
YGb180L1-16
YGb180L2-16
YGb180L2-20
|
6.7
8.0
5.6
4.2
5.0
2.5
3.0
1.4
|
695
695
555
460
460
340
340
275
|
16
20
17
14
17
12.5
17
16
|
240
300
250
200
260
150
190
130
|
95
110
85
60
75
40
50
35
|
0.237
0.294
0.294
0.237
0.294
0.237
0.294
0.294
|
229
252
252
229
252
229
252
252
|
YGb200L1-10
YGb200L2-10
YGb200L1-12
YGb200L2-12
YGb200L1-16
YGb200L2-16
YGb200L1-20
YGb200L2-20
|
7.1
9.0
6.3
8.0
4.2
5.3
2.2
3.2
|
555
|
19
24
20
24
20
24
189
24
|
320
400
320
400
250
340
180
250
|
105
130
90
115
63
80
45
60
|
0.509
0.631
0.509
0.631
0.509
0.631
0.509
0.631
|
302
337
302
337
302
337
302
337
|
460
|
|||||||
340
|
|||||||
275
|
|||||||
YGb225M1-10
YGb225M2-10
YGb225M2-12
YGb225M1-16
YGb225M2-16
YGb225M1-20
YGb225M2-20
|
11
14
11
6.7
8.5
4.0
4.8
|
560
|
30
37
36
30
40
30
38
|
500
630
630
450
600
340
450
|
170
210
165
100
125
80
100
|
0.91
1.11
1.11
0.91
1.11
0.91
1.11
|
410
445
445
410
445
410
445
|
460
|
|||||||
340
|
|||||||
275
|
|||||||
YG系列接线管螺纹直径
机座号
|
管螺纹直径
|
出线孔直径
|
YG112~160
|
M36×2—6H
|
25
|
YG180~225
|
M48×2—6H
|
36
|
YG系数列电动机轴承规格表
机座号
(中心高)
|
极数
|
轴承规格
|
机座号
(中心高)
|
极数
|
轴承规格
|
||
轴伸端
|
非轴伸端
|
轴伸端
|
非伸端
|
||||
112
132
160
|
4~12
6~16
8~16
|
2307 Z1
2309 Z1
2311 Z1
|
M—307 Z1
M—309 Z1
M—311 Z1
|
180
200
225
|
8~20
10~20
10~20
|
2312 Z1
2314 Z1
2316 Z1
|
M—312 Z1
M—314 Z1
M—316 Z1
|
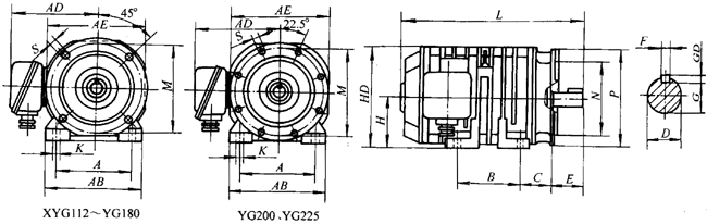
YG系列(B3)外形尺寸图

(单位:mm)
型号
|
极 数
|
A
|
B
|
C
|
D
|
E
|
F
|
G
|
GD
|
H
|
K
|
AB
|
AE
|
AD
|
HD
|
L
|
YG112L
|
4、6、8、10、12
|
190
|
159
|
70
|
32
|
80
|
10
|
27
|
8
|
112
|
ф12
|
235
|
240
|
205
|
240
|
445
|
YG132M
|
6、8、10、12、16
|
216
|
178
|
89
|
38
|
33
|
132
|
265
|
265
|
220
|
265
|
495
|
||||
YG160S
|
8、10、12、16
|
254
|
108
|
48
|
110
|
14
|
42.5
|
9
|
160
|
ф15
|
315
|
315
|
250
|
320
|
570
|
|
YG160L
|
8、10、12、16
|
2564
|
690
|
|||||||||||||
YG180L
|
8、10、12、16、20
|
279
|
279
|
121
|
55
|
16
|
49
|
10
|
180
|
360
|
365
|
295
|
365
|
730
|
||
YG200L
|
10、12、16、20
|
318
|
305
|
133
|
65
|
140
|
18
|
58
|
11
|
200
|
ф19
|
415
|
415
|
320
|
415
|
780
|
YG225M
|
10、12、16、20
|
356
|
311
|
149
|
75
|
20
|
67.5
|
12
|
225
|
471
|
470
|
335
|
465
|
, , , , 835
|
YG系列(B5)外形尺寸图

(单位:mm)
型号
|
极 数
|
D
|
E
|
F
|
G
|
GD
|
M
|
N
|
P
|
S
|
AE
|
AD
|
HF
|
L
|
YG112L
|
4、6、8、10、12
|
32
|
80
|
10
|
27
|
8
|
215
|
180
|
250
|
15
|
240
|
205
|
240
|
445
|
YG132M
|
6、8、10、12、16
|
38
|
33
|
265
|
230
|
300
|
265
|
220
|
285
|
495
|
||||
YG160S
|
8、10、12、16
|
48
|
110
|
14
|
42.5
|
9
|
300
|
250
|
350
|
19
|
315
|
245
|
335
|
570
|
YG160L
|
8、10、12、16
|
690
|
||||||||||||
YG180L
|
8、10、12、16、20
|
55
|
16
|
49
|
10
|
365
|
295
|
355
|
730
|
|||||
YG200L
|
10、12、16、20
|
65
|
140
|
18
|
58
|
11
|
400
|
350
|
450
|
415
|
320
|
450
|
780
|
|
YG225M
|
10、12、16、20
|
75
|
20
|
67.5
|
12
|
470
|
335
|
465
|
835
|
YG系列(B35)外形尺寸图

(单位:mm)
|
![]() |






