- 泰兴市五星减速机有限公司
- 全国咨询热线:18068306736
- 无锡销售部地址:无锡市北塘区凤宾路联东u谷商务园
- 电话:0523-85511968
0523-85511868 - 传真:0523-85750668
0523-85511268 - http://www.wu-xing.cn
产品中心

一、概述
随着电力电子技术的发展,交流变频调速系统也正在突飞猛进地发展。为了适应市场的需要,生产厂调研和收集国内外有关资料的基础上,研制了YTSP系列变频调速三相异步电动机。电机各项性能指标同国外20世纪80年代水平相当,其基本技术条件符合IEC34-1和GB755****和国家标准的规定。电动机噪声低,振动小,调速范围广,外观新颖。
YTSP系列变频调速三相异步电动机是为配合国内外各类高性能的IGBT脉宽调制变频器而特殊设计的使用时一般不需配用外接滤波器。
该电动机集国内外同类产品之优点,采用计算机辅助设计技术进行设计。为了使电动机能适应PWM变频电源供电的状况,在设计上,对定子、转子槽形和定子绕组分布形式作了特殊的考虑,以期获得一个较为合适的电感值,来抑制和减小时间谐波和由其引起的一系列电动机空间谐波所产生的不良影响。电动机的电磁负载设计也考虑了一定的裕度,这样,即能保证电动机在高频时的过载能力,又能在低频运行时仍能保持恒转矩输出。
电动机绝缘结构的设计,考虑了采用IGBT的PEM变频器的高斩波频率的影响。尤其是匝间绝缘,为了能够承受由高电压上升率在线圈匝间反复拖加的陡度极大的冲击电压所导致的严酷考验,采用了特殊措施予以加强。电动机的匝间耐压试验值远超过了JB/Z346—1989对交流电机的规定。
在结构设计方面,YTSP系列的安装尺寸与Y系列同,以便用户的配套和选用。电动机采用了独特的冷却结构,使用单独的轴流风机强迫通风。保证了电动机在低速恒转矩长期远行时温升不超过允许值。
电动机出厂试验时均采用变频器电源供电,符合实际使用工况。
电动机(IC416冷却)可使用于各种需要调速的传动装置中。广泛应用于轻工、纺织、化工、冶金、机床等行业,配合高精度的传感器,可实现高精度闭环运行。
电动机的绝缘等级为F级,绝缘结构对变频器输出高载波频率电压的适应能力强。
电动机的调速范围,在开环υ/ƒ控制的条件下,3~50Hz为恒转矩调速,50~100Hz为恒功率调速;在矢量控制的条件下,调速范围还可以扩大。
电动机的过载能力,能承受额定转矩的160%过载,历时1min。
电动机的低速性能好,低速时转矩平滑,无爬行现象。
电动机的接线方式,250mm及以下为Y联结,280mm及以上为△联结。
使用条件 海拔为≦1000m;环境温度为≦40℃;相对湿度为≦90%;工作制为连续工作(S1);额定电压为380V,额定频率为50Hz,也可根据用户要求确定额定点的电压和频率。
型号含义

YTSP系列(IC416)电动机采用了独特的冷却结构,使用单独的轴流风机强迫通风(为全封闭外表轴向冷却)。也可按需要制成基他冷却方式。
电动机的外壳防护等级为IP44,也可按用户需要制成IP54。
电动机的安装结构型式为IMB3、IMB7、IMB8、IMV5、IMV6、IMB5、IMV1、IMV3、IMB35、IMV15和IMV36等多种结构型式。
根据用户要求可带高分辨率的传感器(光电编码器、旋转变压器及测速发电机)。
根据用户要求可带电磁式制动器、齿轮减速机等附件。
YTSP系列(IC416)变频调速三相异步电动机技术数据(H90~355mm)
型 号
|
标称功率
/kW
|
额定电流
/A
|
额定转矩
/N·m
|
**大转矩
|
转差率
(%)
|
重量/kg
|
额定转矩
|
||||||
YTSP90S-4
YTSP90L-4
YTSP100L1-4
|
1.1
1.5
2.2
|
3.0
4.0
5.2
|
7.0
9.5
14.0
|
2.5
|
5.5
5.5
4.2
|
17
27
33
|
YTSP100L2-4
|
3
|
7.2
|
19.0
|
2.5
|
4.2
|
37
|
YTSP112M-4
|
4
|
9.5
|
25.4
|
2.5
|
4.2
|
44
|
YTSP132S-4
YTSP132M-4
|
5.5
7.5
|
12
15.5
|
35.0
47.7
|
2.5
|
2.8
2.8
|
80
97
|
YTSP160M-4
YTSP160L-4
|
11
15
|
22
29
|
70.0
95.5
|
2.5
|
2.2
2.2
|
125
140
|
YTSP180M-4
YTSP180L-4
|
18.5
22
|
36.8
43.7
|
117.1
140.0
|
2.5
|
1.8
1.8
|
210
250
|
YTSP200L-4
|
30
|
58
|
190.9
|
2.5
|
1.5
|
300
|
YTSP225S-4
YTSP225M-4
|
37
45
|
70
84
|
235.5
286.4
|
2.5
|
1.4
1.4
|
360
400
|
YTSP250M-4
|
55
|
105
|
350.1
|
2.5
|
1.4
|
480
|
YTSP280S-4
YTSP280M-4
|
75
90
|
136
162
|
477.4
572.9
|
2.5
|
1.1
1.1
|
565
680
|
YTSP315S-4
YTSP315M1-4
|
110
132
|
200
235
|
700.2
840.3
|
2.5
|
1.0
1.0
|
870
1025
|
YTSP315M2-4
YTSP315L-4
|
160
200
|
285
360
|
1018.5
1273.3
|
2.5
|
1.0
1.0
|
1095
1160
|
YTSP90S-6
YTSP90L-6
|
0.75
1.1
|
2.5
3.5
|
7.1
10.5
|
2.5
|
6.5
6.5
|
17
27
|
YTSP100L-6
|
1.5
|
4.4
|
14.3
|
2.5
|
5.3
|
37
|
YTSP112M-6
|
2.2
|
6.1
|
21.0
|
2.5
|
5.1
|
44
|
YTSP132S-6
YTSP132M1-6
YTSP132M2-6
|
3
4
5.5
|
7.5
9.5
12.8
|
28.6
38.2
52.5
|
2.5
|
3.2
3.2
3.2
|
80
92
97
|
YTSP160M-6
YTSP160L-6
|
7.5
11
|
18
26
|
71.6
105.0
|
2.5
|
2.6
2.6
|
125
140
|
YTSP180L-6
|
15
|
34
|
143.0
|
2.5
|
2.0
|
250
|
YTSP200L1-6
YTSP200L2-6
|
18.5
22
|
38
45
|
176.0
210.0
|
2.5
|
1.6
1.6
|
300
320
|
YTSP225M-6
YTSP250M-6
|
30
37
|
60
72
|
286.0
353.0
|
2.5
|
1.5
1.5
|
400
480
|
YTSP280S-6
YTSP280M-6
|
45
55
|
85
104
|
429.0
525.0
|
2.5
|
1.0
1.0
|
565
680
|
YTSP315S-6
YTSP315M1-6
YTSP315M2-6
YTSP315L-6
|
75
90
110
132
|
140
168
205
245
|
716.1
859.4
1050.3
1260.0
|
2.5
|
0.9
0.9
0.9
0.9
|
870
1025
1095
1160
|
YTSP355M1-6
YTSP355M2-6
|
160
200
|
295
370
|
1528.0
1910.0
|
2.5
|
0.9
0.9
|
1600
1680
|
YTSP132S-8
YTSP132M-8
|
2.2
3
|
6.4
8.5
|
28.0
38.2
|
2.5
|
4.0
4.0
|
80
92
|
YTSP160M1-8
YTSP160M2-8
YTSP160L-8
|
4
5.5
7.5
|
10.8
14.5
19
|
50.9
70.0
95.5
|
2.5
|
3.5
3.5
3.5
|
110
125
140
|
YTSP180L-8
|
11
|
26
|
140.1
|
2.5
|
2.4
|
250
|
YTSP200L-8
|
15
|
35
|
191.0
|
2.5
|
1.9
|
300
|
YTSP225S-8
YTSP225M-8
|
18.5
22
|
39
47
|
235.6
280.1
|
2.5
|
1.6
1.6
|
360
400
|
YTSP250M-8
|
30
|
63
|
382.0
|
2.5
|
1.6
|
480
|
YTSP280S-8
YTSP280M-8
|
37
45
|
76
92
|
471.1
573.0
|
2.5
|
1.3
1.3
|
565
680
|
YTSP315S-8
YTSP315M1-8
YTSP315M2-8
YTSP315L-8
|
55
75
90
110
|
118
153
182
220
|
700.3
955.0
1146.0
1400.7
|
2.5
|
0.9
0.9
0.9
0.9
|
870
1025
1095
1165
|
YTSP355M1-8
YTSP355M2-8
YTSP355L-8
|
132
160
200
|
265
320
395
|
1680.8
2037.3
2546.7
|
2.5
|
0.9
0.9
0.9
|
1600
1680
1800
|
YTSP系列(IC416)配套冷却风机及制动器数据
电动机中心高/mm
|
90
|
100
|
112
|
132
|
160
|
180
|
200
|
225
|
250
|
280
|
315
|
355
|
|
风机驱动电机输出功率/W
|
60
|
60
|
60
|
60
|
40
|
230
|
230
|
230
|
230
|
370
|
450
|
250
|
|
风机电压/V
|
380/3相
|
||||||||||||
失电制动器
|
转矩/(N·m)
|
15
|
30
|
40
|
80
|
150
|
200
|
300
|
450
|
||||
励磁功率/W
|
60
|
80
|
110
|
130
|
150
|
150
|
200
|
200
|
|||||
直流电压/V
|
99
|
99
|
170
|
170
|
170
|
170
|
170
|
170
|
|||||
YTSP系列(IC416)电动机接线盒主要数据
接线盒分档
|
中心高范围
|
进线孔尺寸(引接电缆)
|
1
|
90
|
M27×1.5
|
2
|
100~132
|
M30×1.5
|
3
|
160~180
|
M48×2
|
4
|
200~225
|
M64×2
|
5
|
250~280
|
M64×2
|
6
|
315
|
M72×2
|
7
|
355
|
M72×2
|
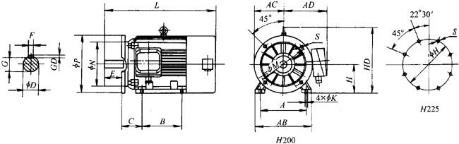
YTSP系列(IC416)外形尺寸图(IMB3)

机座带底脚,端盖无凸缘(IMB3、IMB6、IMB7、IMB8、IMV5、IMV6) (单位:mm)
机座号
|
A
|
B
|
C
|
D
|
E
|
F×GD
|
G
|
K
|
AB
|
AC
|
AD
|
HD
|
L
|
90S
|
140
|
100
|
56
|
24
|
50
|
8×7
|
20
|
10
|
180
|
85
|
155
|
190
|
400
|
90L
|
140
|
125
|
56
|
24
|
50
|
8×7
|
20
|
10
|
180
|
85
|
155
|
190
|
430
|
100L
|
160
|
140
|
63
|
28
|
60
|
8×7
|
24
|
12
|
205
|
103
|
180
|
245
|
465
|
112M
|
190
|
140
|
70
|
28
|
60
|
8×7
|
24
|
12
|
245
|
115
|
190
|
265
|
490
|
132S
|
216
|
140
|
89
|
38
|
80
|
10×8
|
33
|
12
|
280
|
135
|
210
|
315
|
525
|
132M
|
216
|
178
|
89
|
38
|
80
|
10×8
|
33
|
12
|
280
|
135
|
210
|
315
|
575
|
160M
|
254
|
210
|
108
|
42
|
110
|
12×8
|
37
|
15
|
330
|
163
|
255
|
385
|
645
|
160L
|
254
|
254
|
108
|
42
|
110
|
12×8
|
37
|
15
|
330
|
163
|
255
|
385
|
690
|
180M
|
279
|
241
|
121
|
48
|
110
|
14×9
|
42.5
|
15
|
355
|
180
|
285
|
430
|
810
|
180L
|
279
|
279
|
121
|
48
|
110
|
14×9
|
42.5
|
15
|
355
|
180
|
285
|
430
|
850
|
200L
|
318
|
305
|
133
|
55
|
110
|
16×10
|
49
|
19
|
395
|
200
|
310
|
475
|
890
|
225S
|
356
|
286
|
149
|
60
|
140
|
18×11
|
53
|
19
|
435
|
225
|
345
|
530
|
930
|
225M
|
356
|
311
|
149
|
60
|
140
|
18×11
|
53
|
19
|
435
|
225
|
345
|
530
|
970
|
250M
|
406
|
349
|
168
|
65
|
140
|
18×11
|
58
|
24
|
490
|
248
|
385
|
575
|
1050
|
280S
|
457
|
368
|
190
|
75
|
140
|
20×12
|
67.5
|
24
|
550
|
280
|
410
|
660
|
1100
|
280M
|
457
|
419
|
190
|
75
|
140
|
20×12
|
67.5
|
24
|
550
|
280
|
410
|
660
|
1180
|
315S
|
508
|
406
|
216
|
80
|
170
|
22×14
|
71
|
28
|
635
|
320
|
530
|
770
|
1300
|
315M
|
508
|
457
|
216
|
80
|
170
|
22×14
|
71
|
28
|
635
|
320
|
530
|
770
|
1350
|
315L
|
508
|
508
|
216
|
80
|
170
|
22×14
|
71
|
28
|
635
|
320
|
530
|
770
|
1450
|
355M
|
610
|
560
|
254
|
95
|
170
|
22×14
|
86
|
28
|
730
|
355
|
355
|
1010
|
1650
|
355L
|
610
|
630
|
254
|
95
|
170
|
22×14
|
86
|
28
|
730
|
355
|
355
|
1010
|
1750
|
注:L为不带传感器、制动器等附件的尺寸;355机座号接线盒在机座上方。
YTSP系列(IC416)外形尺寸图(IMB5)

机座无底脚,端盖带凸缘(IMB5、IMV1、IMV3) (单位:mm)
机座号
|
D
|
E
|
F×GD
|
G
|
M
|
N
|
P
|
S
|
AC
|
AD
|
HE
|
L
|
90S
|
24
|
50
|
8×7
|
20
|
165
|
130
|
200
|
4×ф12
|
88
|
155
|
195
|
400
|
90L
|
24
|
50
|
8×7
|
20
|
165
|
130
|
200
|
4×ф12
|
88
|
155
|
195
|
430
|
100L
|
28
|
60
|
8×7
|
24
|
215
|
180
|
250
|
4×ф15
|
103
|
180
|
265
|
465
|
112M
|
28
|
60
|
8×7
|
24
|
215
|
180
|
250
|
4×ф15
|
115
|
190
|
265
|
490
|
132S
|
38
|
80
|
10×8
|
33
|
265
|
230
|
300
|
4×ф15
|
135
|
210
|
315
|
525
|
132M
|
38
|
80
|
10×8
|
33
|
265
|
230
|
300
|
4×ф15
|
135
|
210
|
315
|
575
|
160M
|
42
|
110
|
12×8
|
37
|
300
|
250
|
350
|
4×ф19
|
163
|
255
|
385
|
645
|
160L
|
42
|
110
|
12×8
|
37
|
300
|
250
|
350
|
4×ф19
|
163
|
255
|
385
|
690
|
180M
|
48
|
110
|
14×9
|
42.5
|
300
|
250
|
350
|
4×ф19
|
180
|
285
|
430
|
810
|
180L
|
48
|
110
|
14×9
|
42.5
|
300
|
250
|
350
|
4×ф19
|
180
|
285
|
430
|
850
|
200L
|
55
|
110
|
16×10
|
49
|
350
|
300
|
400
|
4×ф19
|
200
|
310
|
480
|
890
|
225S |
60
|
140
|
18×11
|
53
|
400
|
350
|
450
|
8×ф19
|
225
|
345
|
535
|
930
|
225M
|
60
|
140
|
18×11
|
53
|
400
|
350
|
450
|
8×ф19
|
225
|
345
|
535
|
970
|
250M
|
65
|
140
|
18×11
|
58
|
500
|
450
|
550
|
8×ф19
|
248
|
385
|
620
|
1050
|
280S
|
75
|
140
|
20×12
|
67.5
|
500
|
450
|
550
|
8×ф19
|
280
|
410
|
665
|
1100
|
280M
|
75
|
140
|
20×12
|
67.5
|
500
|
450
|
550
|
8×ф19
|
280
|
410
|
665
|
1180
|
注:L不带传感器、制动器等附件的尺寸。
YTSP系列(IC416)外形尺寸图(IMB35)

机座带底脚,端盖带凸缘(IMB35、IMV15、IMV36) (单位:mm)
机座号
|
A
|
B
|
C
|
D
|
E
|
F×GD
|
G
|
K
|
M
|
N
|
P
|
S
|
AB
|
AC
|
AD
|
HD
|
L
|
90S
|
140
|
100
|
56
|
24
|
50
|
8×7
|
20
|
10
|
165
|
130
|
200
|
4×ф12
|
180
|
88
|
155
|
190
|
400
|
90L
|
140
|
125
|
56
|
24
|
50
|
8×7
|
20
|
10
|
165
|
130
|
200
|
4×ф12
|
180
|
88
|
155
|
190
|
430
|
100L
|
160
|
140
|
63
|
28
|
60
|
8×7
|
24
|
12
|
215
|
180
|
250
|
4×ф15
|
205
|
103
|
180
|
245
|
465
|
112M
|
190
|
140
|
70
|
28
|
60
|
8×7
|
24
|
12
|
215
|
180
|
250
|
4×ф15
|
245
|
115
|
190
|
265
|
490
|
132S
|
216
|
140
|
89
|
38
|
80
|
10×8
|
33
|
12
|
265
|
230
|
300
|
4×ф15
|
280
|
135
|
210
|
315
|
525
|
132M
|
216
|
178
|
89
|
38
|
80
|
10×8
|
33
|
12
|
265
|
230
|
300
|
4×ф15
|
280
|
135
|
210
|
315
|
575
|
160M
|
254
|
210
|
108
|
42
|
110
|
12×8
|
37
|
15
|
300
|
250
|
350
|
4×ф19
|
330
|
163
|
255
|
385
|
645
|
160L
|
254
|
254
|
108
|
42
|
110
|
12×8
|
37
|
15
|
300
|
250
|
350
|
4×ф19
|
330
|
163
|
255
|
385
|
690
|
180M
|
279
|
241
|
121
|
48
|
110
|
14×9
|
42.5
|
15
|
300
|
250
|
350
|
4×ф19
|
355
|
180
|
285
|
430
|
810
|
180L
|
279
|
279
|
121
|
48
|
110
|
14×9
|
42.5
|
15
|
300
|
250
|
350
|
4×ф19
|
355
|
180
|
285
|
430
|
850
|
200L
|
318
|
305
|
133
|
55
|
110
|
16×10
|
49
|
19
|
350
|
300
|
400
|
4×ф19
|
395
|
200
|
310
|
475
|
890
|
225S
|
356
|
286
|
149
|
60
|
140
|
18×11
|
53
|
19
|
400
|
350
|
450
|
8×ф19
|
435
|
225
|
345
|
530
|
930
|
225M
|
356
|
311
|
149
|
60
|
140
|
18×11
|
53
|
19
|
400
|
350
|
450
|
8×ф19
|
435
|
225
|
345
|
530
|
970
|
250M
|
406
|
349
|
168
|
65
|
140
|
18×11
|
58
|
24
|
400
|
450
|
550
|
8×ф19
|
490
|
248
|
385
|
575
|
1050
|
280S
|
457
|
368
|
190
|
75
|
140
|
20×12
|
67.5
|
24
|
500
|
450
|
550
|
8×ф19
|
550
|
280
|
410
|
660
|
1100
|
280M
|
457
|
419
|
190
|
75
|
140
|
20×12
|
67.5
|
24
|
500
|
450
|
550
|
8×ф19
|
550
|
280
|
410
|
660
|
1180
|
315S
|
508
|
406
|
216
|
80
|
170
|
22×14
|
71
|
28
|
600
|
550
|
660
|
8×ф24
|
635
|
320
|
530
|
770
|
1300
|
315M
|
508
|
457
|
216
|
80
|
170
|
22×14
|
71
|
28
|
600
|
550
|
660
|
8×ф24
|
635
|
320
|
530
|
770
|
1350
|
315L
|
508
|
508
|
216
|
80
|
170
|
22×14
|
71
|
28
|
600
|
550
|
660
|
8×ф24
|
635
|
320
|
530
|
770
|
1450
|
355M
|
610
|
560
|
254
|
95
|
170
|
25×14
|
86
|
28
|
740
|
680
|
800
|
8×ф24
|
730
|
355
|
355
|
1010
|
1650
|
355L
|
610
|
630
|
254
|
95
|
170
|
25×14
|
86
|
28
|
740
|
680
|
80
|
8×ф24
|
730
|
355
|
355
|
1010
|
1750
|
注:L为不带传感器、制动器等附件的尺寸;355机座号接线盒在机座上方。
上一页:HXS系列斜齿轮-蜗轮减速电机下一页:YG系列辊道用三相异步电动机
![]() |






