- 泰兴市五星减速机有限公司
- 全国咨询热线:18068306736
- 无锡销售部地址:无锡市北塘区凤宾路联东u谷商务园
- 电话:0523-85511968
0523-85511868 - 传真:0523-85750668
0523-85511268 - http://www.wu-xing.cn
产品中心
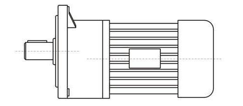
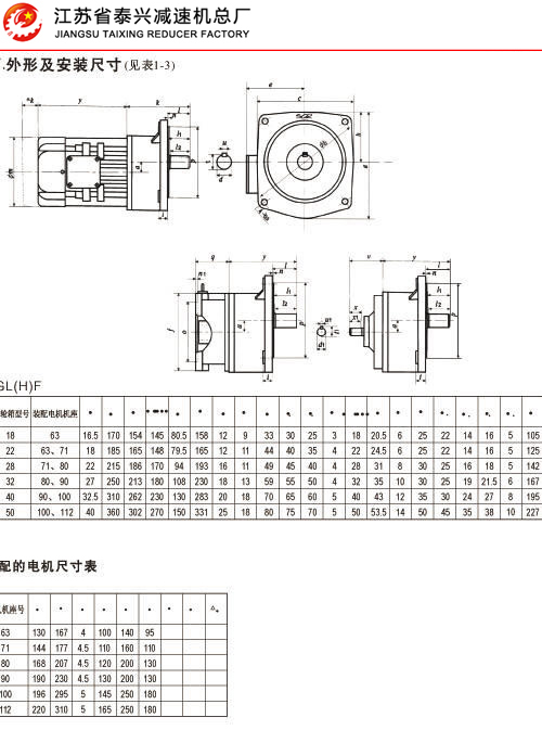
G系列小型齿轮减速机

产品名称:G系列小型齿轮减速机
产品介绍:
1、全封闭全寿命机电一体化设计
2、硬齿面斜齿轮传动、低噪音、高效率
3、整体结构紧凑、重量轻、适应性强
4、可附加电磁制动器
安装形式:W-底脚式 F-法兰式





下一页:KS系列螺旋伞齿轮减速马达
![]() |
同类推荐






