- 泰兴市五星减速机有限公司
- 全国咨询热线:18068306736
- 无锡销售部地址:无锡市北塘区凤宾路联东u谷商务园
- 电话:0523-85511968
0523-85511868 - 传真:0523-85750668
0523-85511268 - http://www.wu-xing.cn
产品中心

TW、TWC系列轴装式减速机,泰兴五星减速机2000多种常用型号均有货,可以当天发货,如果不满意可以完全退货。

a、齿轮圆周速度≤20m/s
b、高速轴转速≤1500r/min
c、工作环境温度:-40℃~45℃
d、可正反两方向运转。
3、型号说明

<二>TW系列减速机外型及安装尺寸
1、安装型式

2、外形及联接尺寸


机座号
|
减速机支架板厚
|
橡皮块垫厚
|
TW06
|
10~12
|
12~16
|
TW08
|
12~14
|
16~20
|
TW10
TWC10
|
14~16
|
20~25
|
TW12
TWC12
|
16~18
|
25~30
|
TW16
TWC16
|
18~20
|
25~35
|
TW20
TWC20
|
22~24
|
35~40
|
TW25
TWC25
|
24~28
|
35~45
|
尺寸
机座代号
|
a
|
h
|
a1
|
b
|
b0
|
b1
|
c
|
D
(H7)
|
d1
|
d2
|
L
|
K
|
e1
|
e2
|
f
|
n
|
r
|
u
|
v
|
重量
kg
|
TW06
|
125
|
285
|
180
|
168
|
20
|
160
|
82
|
Φ148
|
Φ14
|
M10
|
185
|
161
|
42
|
50
|
24
23
17
|
80
|
29
|
128
|
120
|
27.1
|
TW08
|
160
|
358
|
230
|
210
|
20
|
200
|
87.75
|
Φ190
|
Φ20
|
M10
|
235.75
|
188
|
47.75
|
73.5
|
43
32
80
|
96
|
40
|
154
|
154
|
42.6
|
TW10
|
200
|
452
|
297
|
274
|
25
|
250
|
98
|
Φ226
|
Φ22
|
M12
|
261
|
208
|
53
|
84
|
35
27
80
|
127
|
51
|
210
|
186
|
72.8
|
TW12
|
250
|
566
|
360
|
346
|
30
|
304
|
111.25
|
Φ266
|
Φ26
|
M16
|
307.25
|
255
|
61.25
|
88
|
47
55
128
|
160
|
55
|
274
|
240
|
141.3
|
TW16
|
315
|
705
|
440
|
400
|
40
|
340
|
120.75
|
Φ280
|
Φ34
|
M16
|
331.25
|
264
|
65.75
|
100
|
50
70
132
|
220
|
75
|
320
|
260
|
210.0
|
TW20
|
400
|
820
|
525
|
500
|
50
|
340
|
127.75
|
Φ280
|
Φ40
|
M16
|
385.25
|
318
|
67.57
|
104
|
76
|
250
|
80
|
320
|
260
|
320
|
TW25
|
500
|
1050
|
867
|
620
|
70
|
560
|
135.75
|
Φ320
|
Φ40
|
M20
|
429.75
|
356.5
|
75.75
|
112
|
92
|
310
|
95
|
380
|
360
|
780
|
TW系列轴装式减速机输入轴容许功率及输出扭矩
3、输入轴容许功率及输出扭矩
输入轴转速1400r/min,工作级别为M6(可配920r/min)
机座号
|
公称传动比
容许功率
输出扭矩
|
Ⅰ
|
Ⅱ
|
Ⅲ
|
Ⅳ
|
Ⅴ
|
Ⅵ
|
Ⅶ
|
Ⅷ
|
14
|
16
|
18
|
20
|
22.4
|
25
|
28
|
31.5
|
||
TW06
|
容许功率(KW)
|
4.473
|
3.967
|
3.586
|
3.33
|
3.061
|
2.708
|
2.422
|
2.134
|
输出扭矩(N.m)
|
418
|
438
|
444
|
442
|
454
|
455
|
462
|
458
|
|
TW08
|
容许功率(KW)
|
6.22
|
5.793
|
5.575
|
5.132
|
4.906
|
4.448
|
4.215
|
3.981
|
输出扭矩(N.m)
|
609
|
655
|
699
|
708
|
753
|
756
|
801
|
844
|
|
TW10
|
容许功率(KW)
|
12.141
|
11.322
|
10.480
|
10.051
|
9.176
|
8.731
|
7.825
|
7.557
|
输出扭矩(N.m)
|
1145
|
1225
|
1307
|
1383
|
1391
|
1468
|
1461
|
1624
|
|
TW12
|
容许功率(KW)
|
31.937
|
29.857
|
28.313
|
25.387
|
22.821
|
21.582
|
19.250
|
17.905
|
输出扭矩(N.m)
|
2980
|
3295
|
3482
|
3514
|
3573
|
3602
|
3598
|
3803
|
|
TW16
|
容许功率(KW)
|
54.710
|
48.439
|
45.267
|
42.088
|
38.914
|
34.975
|
30.314
|
27.475
|
输出扭矩(N.m)
|
5288
|
5254
|
5503
|
5751
|
5973
|
6062
|
5955
|
6112
|
|
TW20
|
容许功率(KW)
|
101.5
|
100
|
96
|
91
|
81
|
71
|
67
|
59
|
输出扭矩(N.m)
|
9684
|
9164
|
11549
|
12378
|
12401
|
12362
|
12386
|
12361
|
|
TW25
|
容许功率(KW)
|
154
|
143
|
132
|
121
|
113
|
90
|
87
|
82
|
输出扭矩(N.m)
|
14700
|
15319
|
15925
|
16513
|
17304
|
16831
|
17270
|
17257
|
机座号
|
公称传动比
容许功率
输出扭矩
|
Ⅸ
|
Ⅹ
|
Ⅺ
|
Ⅻ
|
ⅩⅢ
|
ⅩⅣ
|
ⅩⅤ
|
ⅩⅥ
|
ⅩⅦ
|
ⅩⅧ
|
35.5
|
40
|
45
|
50
|
56
|
63
|
71
|
80
|
90
|
100
|
||
TW06
|
容许功率(KW)
|
1.831
|
1.694
|
1.516
|
1.304
|
1.264
|
1.08
|
0.97
|
0.766
|
0.69
|
0.647
|
输出扭矩(N.m)
|
447
|
452
|
459
|
437
|
470
|
457
|
470
|
426
|
429
|
436
|
|
TW08
|
容许功率(KW)
|
3.744
|
3.211
|
3.046
|
2.568
|
2.274
|
2.017
|
1.897
|
1.551
|
1.450
|
1.248
|
输出扭矩(N.m)
|
892
|
860
|
918
|
879
|
887
|
891
|
899
|
848
|
908
|
842
|
|
TW10
|
容许功率(KW)
|
6.902
|
6.211
|
5.353
|
5.065
|
4.316
|
3.923
|
3.641
|
3.036
|
2.827
|
2.500
|
输出扭矩(N.m)
|
1687
|
1702
|
1650
|
1776
|
1695
|
1650
|
1722
|
1644
|
1709
|
1653
|
|
TW12
|
容许功率(KW)
|
15.292
|
13.477
|
12.050
|
10.847
|
9.435
|
8.421
|
7.948
|
6.721
|
5.621
|
5.190
|
输出扭矩(N.m)
|
3707
|
3775
|
3645
|
3703
|
3647
|
3667
|
3696
|
3548
|
3386
|
3507
|
|
TW16
|
容许功率(KW)
|
25.824
|
22.953
|
19.854
|
19.558
|
16.301
|
15.133
|
12.965
|
10.989
|
9.215
|
8.603
|
输出扭矩(N.m)
|
6165
|
6269
|
6117
|
6174
|
6275
|
6340
|
6168
|
5967
|
5742
|
5795
|
|
TW20
|
容许功率(KW)
|
51
|
41
|
37
|
35
|
27
|
25
|
22
|
17
|
16
|
13
|
输出扭矩(N.m)
|
12235
|
12065
|
10888
|
11163
|
10498
|
10455
|
10662
|
8920
|
9797
|
8654
|
|
TW25
|
容许功率(KW)
|
73
|
69
|
61
|
57
|
46
|
41
|
41
|
37
|
32
|
29
|
输出扭矩(N.m)
|
17593
|
18738
|
19066
|
19097
|
18146
|
18241
|
19526
|
20648
|
20014
|
20478
|
注:配套电机功率:Nn<容许功率÷2~2.5
4、输入轴转速1400r/min,连续工作型
机座号
|
公称传动比
容许功率
输出扭矩
|
Ⅰ
|
Ⅱ
|
Ⅲ
|
Ⅳ
|
Ⅴ
|
Ⅵ
|
Ⅶ
|
Ⅷ
|
14
|
16
|
18
|
20
|
22.4
|
25
|
28
|
31.5
|
||
TW06
|
容许功率(KW)
|
3.17
|
2.78
|
2.49
|
2.29
|
2.08
|
1.82
|
1.62
|
1.41
|
输出扭矩(N.m)
|
296
|
307
|
308
|
305
|
309
|
306
|
309
|
302
|
|
TW08
|
容许功率(KW)
|
4.39
|
4.06
|
3.85
|
3.5
|
3.32
|
2.99
|
2.81
|
2.6
|
输出扭矩(N.m)
|
430
|
459
|
482
|
483
|
510
|
509
|
533
|
552
|
|
TW10
|
容许功率(KW)
|
8.63
|
7.91
|
7.29
|
6.96
|
6.28
|
5.89
|
5.26
|
5.19
|
输出扭矩(N.m)
|
814
|
856
|
910
|
967
|
951
|
991
|
982
|
1077
|
|
TW12
|
容许功率(KW)
|
23.28
|
21.50
|
20.07
|
17.82
|
15.84
|
15.18
|
13.05
|
11.53
|
输出扭矩(N.m)
|
2172
|
2372
|
2469
|
2467
|
2480
|
2471
|
2439
|
2548
|
|
TW16
|
容许功率(KW)
|
33.90
|
32.05
|
31.46
|
28.91
|
23.68
|
23.57
|
20.31
|
18.16
|
输出扭矩(N.m)
|
3760
|
3694
|
3825
|
3951
|
4050
|
4086
|
3990
|
4040
|
|
TW20
|
容许功率(KW)
|
60.83
|
60
|
57.6
|
54.6
|
48.6
|
42.6
|
40.2
|
35.4
|
输出扭矩(N.m)
|
5810
|
5498
|
6929
|
7426
|
7440
|
7417
|
7431
|
7416
|
|
TW25
|
容许功率(KW)
|
92.4
|
85
|
79
|
72
|
67
|
57
|
52
|
49
|
输出扭矩(N.m)
|
8820
|
9191
|
9555
|
9907
|
10382
|
10098
|
10332
|
10354
|
机座号
|
公称传动比
容许功率
输出扭矩
|
Ⅸ
|
Ⅹ
|
Ⅺ
|
Ⅻ
|
ⅩⅢ
|
ⅩⅣ
|
ⅩⅤ
|
ⅩⅥ
|
ⅩⅦ
|
ⅩⅧ
|
35.5
|
40
|
45
|
50
|
56
|
63
|
71
|
80
|
90
|
100
|
||
TW06
|
容许功率(KW)
|
1.19
|
1.10
|
0.97
|
0.83
|
0.80
|
0.67
|
0.60
|
0.47
|
0.42
|
0.39
|
输出扭矩(N.m)
|
291
|
294
|
293
|
277
|
296
|
283
|
289
|
260
|
259
|
262
|
|
TW08
|
容许功率(KW)
|
2.45
|
2.07
|
1.94
|
1.63
|
1.43
|
1.26
|
1.18
|
0.95
|
0.88
|
0.75
|
输出扭矩(N.m)
|
583
|
555
|
586
|
556
|
558
|
557
|
557
|
522
|
550
|
506
|
|
TW10
|
容许功率(KW)
|
4.55
|
4.04
|
3.44
|
3.21
|
2.71
|
2.43
|
2.24
|
1.85
|
1.70
|
1.49
|
输出扭矩(N.m)
|
1112
|
1106
|
1059
|
1124
|
1064
|
1023
|
1059
|
1004
|
1053
|
985
|
|
TW12
|
容许功率(KW)
|
10.18
|
8.88
|
7.83
|
7.00
|
6.01
|
5.32
|
4.95
|
4.13
|
3.89
|
3.13
|
输出扭矩(N.m)
|
2469
|
2488
|
2369
|
2388
|
2323
|
2318
|
2303
|
2178
|
2065
|
2118
|
|
TW16
|
容许功率(KW)
|
16.99
|
15.10
|
12.91
|
12.06
|
10.43
|
9.56
|
8.08
|
6.85
|
5.74
|
5.24
|
输出扭矩(N.m)
|
4057
|
4125
|
3976
|
4013
|
4016
|
4007
|
3842
|
3717
|
3577
|
3529
|
|
TW20
|
容许功率(KW)
|
30.6
|
24.6
|
22.2
|
21
|
16.2
|
15
|
13.2
|
10.2
|
9.6
|
7.8
|
输出扭矩(N.m)
|
7341
|
7239
|
6532
|
6698
|
6298
|
6273
|
6397
|
5352
|
5878
|
5192
|
|
TW25
|
容许功率(KW)
|
43
|
41
|
36
|
34
|
27
|
24
|
24
|
22
|
19
|
17
|
输出扭矩(N.m)
|
10555
|
10239
|
11438
|
11458
|
10887
|
10944
|
11715
|
12385
|
12008
|
12288
|
注:配套电机功率:Nn<容许功率÷2~2.5
<三>TWC系列减速机外型及安装尺寸
1、安装尺寸

2、外形及联接尺寸

机座号
|
a
|
c
|
d
|
e
|
f
|
k
|
m
|
n
|
o
|
p
|
q
|
r
|
s
|
t
|
质量
kg
|
TWC10
|
208
|
104
|
137
|
40
|
125
|
274
|
225
|
127
|
325
|
490
|
86
|
56
|
, , , Φ22
|
26
|
72.25
|
TWC12
|
255
|
127.5
|
173
|
45
|
150
|
346
|
280
|
160
|
406
|
612
|
101.5
|
70
|
Φ26
|
36
|
141.32
|
TWC16
|
264
|
132
|
200
|
55
|
180
|
400
|
355
|
220
|
485
|
760
|
104
|
85
|
Φ34
|
46
|
210
|
TWC20
|
318
|
159
|
250
|
55
|
220
|
500
|
470
|
250
|
625
|
930
|
140
|
100
|
Φ40
|
50
|
350
|
TWC25
|
356.5
|
178.25
|
310
|
75
|
275
|
620
|
580
|
310
|
777
|
1160
|
180
|
125
|
Φ40
|
70
|
820
|
3、工作级别为M6时,减速器承载能力表
公称传动比
i
|
公称转速
r/min
|
规格
|
|||||
输入
n1
|
输出
n2
|
10
|
12
|
16
|
20
|
25
|
|
公称输入功率 P kW
|
|||||||
22.4
|
1500
|
66
|
9.1
|
22.8
|
38.9
|
81
|
96
|
1000
|
44
|
6.1
|
15.2
|
25.9
|
54
|
64
|
|
750
|
33
|
4.5
|
11.4
|
19.5
|
40
|
48
|
|
25
|
1500
|
60
|
8.3
|
21.5
|
35
|
70
|
89
|
1000
|
40
|
5.5
|
16.5
|
23.3
|
46.5
|
59
|
|
750
|
30
|
4.1
|
11
|
17.5
|
35
|
44.5
|
|
28
|
1500
|
53.5
|
7.8
|
19.2
|
30.3
|
67
|
82
|
1000
|
35.5
|
5.2
|
12.5
|
20
|
44.5
|
54.5
|
|
750
|
26.5
|
3.9
|
9.6
|
15.2
|
33.5
|
41
|
|
31.5
|
1500
|
47.5
|
7.8
|
17.9
|
27.4
|
60
|
75
|
1000
|
31.5
|
5.2
|
11.9
|
18.2
|
40
|
50
|
|
750
|
23.5
|
3.9
|
9
|
13.7
|
30
|
37
|
|
35.5
|
1500
|
42
|
6.9
|
15.2
|
25.8
|
50
|
70
|
1000
|
28
|
4.6
|
10.1
|
17.2
|
33
|
46
|
|
750
|
21
|
3.5
|
7.6
|
12.9
|
25
|
35
|
|
40
|
1500
|
37.5
|
6.2
|
13.5
|
23
|
40
|
60
|
1000
|
25
|
4.1
|
9
|
15
|
26.5
|
40
|
|
750
|
18.3
|
3.1
|
6.7
|
11.5
|
20
|
30
|
|
45
|
1500
|
33
|
5.3
|
12.0
|
19.5
|
37
|
54
|
1000
|
22
|
3.5
|
8
|
13
|
24.5
|
36
|
|
750
|
16.5
|
2.7
|
6
|
10
|
18.5
|
27
|
|
50
|
1500
|
30
|
5.1
|
10.8
|
19.5
|
35
|
51
|
1000
|
20
|
3.4
|
7.2
|
13
|
23
|
34
|
|
750
|
15
|
2.5
|
5.4
|
10
|
17.5
|
25.5
|
|
56
|
1500
|
26.5
|
4.3
|
9.4
|
16.3
|
27
|
45
|
1000
|
17.5
|
2.8
|
6.2
|
10.8
|
18
|
30
|
|
750
|
13
|
2.2
|
4.7
|
8.2
|
13.5
|
22.5
|
|
63
|
1500
|
23.5
|
3.9
|
8.4
|
15.1
|
25
|
43
|
1000
|
15.5
|
2.6
|
5.6
|
10
|
16.5
|
28.5
|
|
750
|
12
|
2
|
4.2
|
7.5
|
12.5
|
21.5
|
|
71
|
1500
|
21
|
3.6
|
7.0
|
13
|
22
|
38
|
1000
|
14
|
2.4
|
4.5
|
8.5
|
15
|
25
|
|
750
|
10.5
|
1.8
|
3.5
|
6.5
|
11
|
19
|
|
80
|
1500
|
18.5
|
3.0
|
6.7
|
11
|
17
|
35
|
1000
|
12.5
|
2
|
4.5
|
7.3
|
11
|
23
|
|
750
|
9
|
1.5
|
3.3
|
5.5
|
8.5
|
17.5
|
|
90
|
1500
|
16.5
|
2.8
|
5.6
|
9.2
|
16
|
28
|
1000
|
11
|
1.8
|
3.7
|
6.1
|
10.5
|
18.5
|
|
750
|
8
|
1.4
|
2.8
|
4.6
|
8
|
14
|
|
100
|
1500
|
15
|
2.5
|
5.2
|
8.6
|
13
|
25
|
1000
|
10
|
1.6
|
3.4
|
5.7
|
8.6
|
16.5
|
|
750
|
7.5
|
1.3
|
2.6
|
4.3
|
6.5
|
12.5
|
|
115
|
1500
|
13
|
2.3
|
5
|
8.1
|
12
|
23
|
1000
|
8.5
|
1.5
|
3.3
|
5.4
|
8
|
1.5
|
|
750
|
6.5
|
1.2
|
2.5
|
4.1
|
6
|
11.5
|
|
128
|
1500
|
11.5
|
1.8
|
4.2
|
6.8
|
10.5
|
21
|
1000
|
7.5
|
1.2
|
2.8
|
4.5
|
7
|
14
|
|
750
|
5.5
|
0.9
|
2.1
|
3.4
|
5.3
|
11
|
|
145
|
1500
|
10
|
1.7
|
3.5
|
5.7
|
9.5
|
20
|
1000
|
6.5
|
1.1
|
2.3
|
3.8
|
6.3
|
13.3
|
|
750
|
5
|
0.85
|
1.8
|
2.9
|
4.7
|
11
|
|
160
|
1500
|
9
|
1.5
|
3.2
|
5.3
|
8
|
18
|
1000
|
6
|
1
|
2.1
|
3.5
|
5.3
|
12
|
|
750
|
4.5
|
0.75
|
1.6
|
2.6
|
4
|
9
|
|
注:配套电机功率:Nn≤容许功率÷2~25
4、连续工作型,减速器承载能力表
公称传动比
i
|
公称转速
r/min
|
规格
|
|||||
输入
n1
|
输出
n2
|
10
|
12
|
16
|
20
|
25
|
|
公称输入功率 P kW
|
|||||||
22.4
|
1500
|
66
|
6.28
|
15.84
|
23.68
|
48.6
|
57.6
|
1000
|
44
|
4.48
|
11.2
|
16.30
|
33.5
|
39.7
|
|
750
|
33
|
3.10
|
7.9
|
11.80
|
24.3
|
28.8
|
|
25
|
1500
|
60
|
5.89
|
15.18
|
23.57
|
42.6
|
53.4
|
1000
|
40
|
4.20
|
10.8
|
16.25
|
29.35
|
36.8
|
|
750
|
30
|
2.90
|
7.5
|
11.75
|
21.3
|
26.7
|
|
28
|
1500
|
53.5
|
5.26
|
13.05
|
20.31
|
40.2
|
49.1
|
1000
|
35.5
|
3.75
|
9.30
|
14.00
|
27.7
|
33.86
|
|
750
|
26.5
|
2.50
|
6.50
|
10.1
|
20.1
|
24.5
|
|
31.5
|
1500
|
47.5
|
5.19
|
11.53
|
18.16
|
35.4
|
45
|
1000
|
31.5
|
3.70
|
8.23
|
12.5
|
24.4
|
31
|
|
750
|
23.5
|
2.50
|
5.75
|
9.1
|
17.5
|
22.5
|
|
35.5
|
1500
|
42
|
4.55
|
10.18
|
16.99
|
30.6
|
42
|
1000
|
28
|
3.20
|
7.1
|
11.7
|
21
|
21.85
|
|
750
|
21
|
2.20
|
5.1
|
8.5
|
15.3
|
21
|
|
40
|
1500
|
37.5
|
4.04
|
8.88
|
15.10
|
24.6
|
36
|
1000
|
25
|
2.75
|
6.1
|
10.4
|
16.9
|
24.8
|
|
750
|
18.3
|
2.00
|
4.4
|
7.5
|
12.3
|
18
|
|
45
|
1500
|
33
|
3.44
|
7.83
|
12.91
|
22.2
|
32.4
|
1000
|
22
|
2.4
|
5.45
|
8.9
|
15.3
|
21.7
|
|
750
|
16.5
|
1.7
|
3.9
|
6.45
|
11
|
16.2
|
|
50
|
1500
|
30
|
3.21
|
7.00
|
12.06
|
231
|
30.6
|
1000
|
20
|
2.2
|
4.8
|
8.31
|
14.45
|
21.10
|
|
750
|
15
|
1.60
|
3.5
|
6.00
|
10.5
|
15.3
|
|
56
|
1500
|
26.5
|
2.71
|
6.01
|
10.43
|
16.2
|
27
|
1000
|
17.5
|
1.9
|
4.13
|
7.15
|
11.15
|
18.6
|
|
750
|
13
|
1.30
|
3.00
|
5.2
|
8
|
13.5
|
|
63
|
1500
|
23.5
|
2.43
|
5.32
|
9.56
|
15
|
25.3
|
1000
|
15.5
|
1.70
|
3.60
|
6.55
|
10.3
|
17.4
|
|
750
|
12
|
1.2
|
2.65
|
4.75
|
7.5
|
12.6
|
|
71
|
1500
|
21
|
2.24
|
4.95
|
8.08
|
13.2
|
21.8
|
1000
|
14
|
1.5
|
3.41
|
5.5
|
9.1
|
15
|
|
750
|
10.5
|
1.1
|
2.5
|
4
|
6.6
|
10.5
|
|
80
|
1500
|
18.5
|
1.85
|
4.13
|
6.85
|
10.2
|
21
|
1000
|
12.5
|
1.3
|
2.8
|
4.72
|
7
|
14.4
|
|
750
|
9
|
0.9
|
2.0
|
3.4
|
5.1
|
10
|
|
90
|
1500
|
16.5
|
1.70
|
3.89
|
5.74
|
9.6
|
16.3
|
1000
|
11
|
1.1
|
2.68
|
3.9
|
6.6
|
11.20
|
|
750
|
8
|
0.8
|
1.94
|
2.85
|
4.8
|
8.15
|
|
100
|
1500
|
15
|
1.49
|
3.13
|
5.24
|
7.8
|
15
|
1000
|
10
|
1
|
2.15
|
3.5
|
5.35
|
10
|
|
750
|
7.5
|
0.72
|
1.56
|
2.6
|
3.9
|
7.5
|
|
115
|
1500
|
13
|
1.40
|
3.09
|
5.05
|
7.2
|
15
|
1000
|
8.5
|
0.95
|
2.10
|
3.45
|
4.9
|
||
750
|
6.5
|
0.70
|
1.5
|
2.50
|
3.6
|
||
128
|
1500
|
11.5
|
1.16
|
2.58
|
4.28
|
6.36
|
13.8
|
1000
|
7.5
|
0.75
|
1.78
|
2.90
|
4.35
|
9.5
|
|
750
|
5.5
|
0.55
|
1.25
|
2.14
|
3.15
|
6.9
|
|
145
|
1500
|
10
|
1.06
|
2.43
|
3.59
|
5.7
|
12
|
1000
|
6.5
|
0.70
|
1.67
|
2.45
|
3.9
|
8.25
|
|
750
|
5
|
0.50
|
1.2
|
1.75
|
2.85
|
6
|
|
160
|
1500
|
9
|
0.93
|
1.96
|
3.25
|
4.87
|
10.8
|
1000
|
6
|
0.65
|
1.35
|
2.2
|
3.35
|
7.4
|
|
750
|
4.5
|
0.45
|
0.95
|
1.62
|
2.4
|
5.4
|
|
<四>输出轴联接尺寸
1、花键轴(H)


注:用户可以根据需要,从表中选用小一号或更小的花键副。
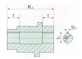
2、空心平键轴(P)

机座代号
|
K2
|
t
|
d3H7
|
b3
|
t3
|
08
|
188
|
55
|
40
|
12
|
43.3
|
10
|
208
|
60
|
50
|
14
|
53.8
|
12
|
255
|
65
|
60
|
18
|
64.4
|
16
|
264
|
75
|
90
|
25
|
95.4
|
20
|
318
|
85
|
100
|
28
|
106.4
|
25
|
356.5
|
95
|
100
|
28
|
106.4
|
TW.TWC系列减速机配套电机主要技术参数
参数
型号
|
功 率
KW
|
转速
r/min
|
额 定
电流
(A)
|
**大转
速额定
转矩
|
效率
(η)
|
功率
因素
|
绝缘
等级
|
制动
,, &, lt;, DIV align=center>力矩
(N.m)
|
转子开
路电压
(V)
|
转子
电流
(A)
|
基准工
作制(K)
|
外形尺寸
D×L
|
ZDR12-4
|
1.5
|
1350
|
4.5
|
3
|
0.7
|
0.75
|
B
|
10.8
|
131
|
9.5
|
25%
|
Φ218×488
|
ZDR112L1-4
|
2.2
|
1350
|
5.6
|
3
|
0.79
|
0.8
|
F
|
15.7
|
131
|
12.0
|
40%
|
Φ218×507.3
|
ZDR112L4-4
|
3.0
|
1350
|
7.5
|
3
|
0.8
|
0.8
|
F
|
19.6
|
131
|
16.0
|
40%
|
Φ218×507.3
|
ZDR123-4
|
4.6
|
1350
|
13
|
2.5
|
0.73
|
0.64
|
F
|
33.2
|
175
|
18.0
|
40%
|
Φ249×542.5
|
ZDR140-4
|
8.0
|
1380
|
25.5
|
2.5
|
0.77
|
0.63
|
F
|
62.0
|
168
|
31.0
|
40%
|
Φ249×297
|
YZRE112M-4
|
0.8
|
1380
|
2.4
|
2.5
|
0.65
|
0.78
|
F
|
27
|
100
|
8
|
40%
|
Φ250×313
|
YZRE112M-4
|
1.5
|
1400
|
4.5
|
2.5
|
0.68
|
0.79
|
F
|
30
|
100
|
12.5
|
40%
|
Φ250×313
|
YZRE112M-4
|
2.2
|
1410
|
6
|
2.5
|
0.72
|
0.76
|
F
|
30
|
132
|
12.6
|
40%
|
Φ250×333
|
YZRE132M1-4
|
3.7
|
1410
|
9.2
|
2.7
|
0.77
|
0.77
|
F
|
50
|
187
|
14.5
|
40%
|
Φ300×548
|
YZRE132M2-4
|
5.5
|
1410
|
15
|
2.7
|
0.77
|
0.78
|
F
|
50
|
139
|
25.7
|
40%
|
Φ300×598
|
YZRE132M3-4
|
7.5
|
1410
|
17
|
3
|
0.80
|
0.82
|
F
|
50
|
185
|
26.5
|
40%
|
Φ300×618
|
YZRE160M1-4
|
7.5
|
1420
|
17
|
3
|
0.80
|
0.82
|
F
|
80
|
185
|
26.5
|
40%
|
Φ350×667
|
YZRE160M2-4
|
11
|
1420
|
24.5
|
3
|
0.82
|
0.825
|
F
|
80
|
252
|
27.6
|
40%
|
Φ350×722
|
YZRE160L-4
|
15
|
1420
|
33
|
3
|
0.86
|
0.825
|
F
|
80
|
218
|
46
|
40%
|
Φ350×752
|
ZDY 21-4
|
0.8
|
1420
|
2.4
|
2.51
|
0.7
|
0.72
|
F
|
8.036
|
Φ217×329
|
|||
ZDY 22-4
|
1.5
|
1380
|
4.3
|
2.5
|
0.72
|
0.74
|
B
|
19.6
|
Φ233×355
|
|||
YEJ30-4
|
0.75
|
1380
|
2.0
|
0.75
|
0.78
|
B
|
10
|
Φ200×385
|
||||
YEJ90L-4
|
1.5
|
1500
|
3.6
|
0.78
|
0.82
|
F
|
20
|
Φ200×425
|
||||
YEJ100L-4
|
3
|
1500
|
6.65
|
0.825
|
0.83
|
F
|
38
|
Φ250×465
|
||||
YEJ112M-4
|
4
|
1500
|
8.6
|
0.84
|
0.84
|
F
|
50
|
Φ250×495
|
||||
YEJ123S-4
|
5.5
|
1500
|
11.5
|
0.845
|
0.87
|
F
|
95
|
Φ250×575
|
||||
YEJ132M-4
|
7.5
|
1500
|
15.5
|
0.865
|
0.86
|
F
|
95
|
Φ200×620
|
||||
YEJ160M-4
|
11
|
1500
|
22
|
0.875
|
0.86
|
F
|
190
|
Φ330×710
|
||||
YEJ160L-4
|
15
|
1500
|
30
|
0.88
|
0.86
|
F
|
190
|
Φ330×755
|
注:1、额定电压 为380伏,频率50赫兹。
2、绕线电机作起动用时可选用频敏变阻。
3、绕线电机转子回路,由用户设计和配置电阻后方可使用,不许直接短路使用。
4、ZDY、YEJ型电机为鼠笼式电机,ZDR、YZR型电机为绕线式电机。
5、按用户要求,还可配置变速电机、盘式电机及其它特种电机。
TW、TWC系列减速机选用说明:
根据“起重机设计规范”(GB3811-83)中的规定,起重机各机构有不同的工作级别:分M1~M8共8种。本系列所列功率M6工作级别的功率表,若用其它级别时,应按下列公式折算:
NMi=Nm6×1.12(6-i) (KW)
式中:i-工作级别
NMi-相对Mi工作级别的功率值
Nm6-功率表在容许功率值
对于运行机构因惯性载荷较大,疲劳计算基本载荷取为机构起动时,计算零件承受的惯性力矩和静力矩之和。
对于惯性载荷较小,起制动次数较少的机构,计算结果可直接按小于表列功率选用。但一般运行机构,惯性载较大,起制动频繁应取机构制动时所承受的**大振动力矩计算,此时应把表功率除以系数Ψ5。
Ψ5 弹性振动力矩增大系数。
考虑到重级或特重级起重机运行机构的工作条件比较恶劣。(机构经常处于起动,制动工况),应取Ψ5=2~2.5为宜。
即:NM1=Ψ5Nn=(2~2.5)Nn
式中Nn—电机额定功率








下一页:LC硬齿面减速机
![]() |






