- 泰兴市五星减速机有限公司
- 全国咨询热线:18068306736
- 无锡销售部地址:无锡市北塘区凤宾路联东u谷商务园
- 电话:0523-85511968
0523-85511868 - 传真:0523-85750668
0523-85511268 - http://www.wu-xing.cn
产品中心
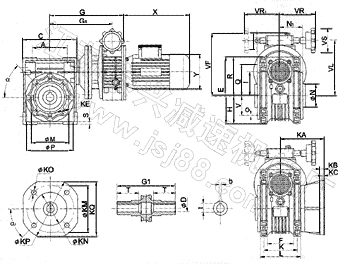
铝合金壳无级蜗轮系列

产品名称:铝合金壳无级蜗轮系列
产品介绍:
铝合金壳无级蜗轮系列,泰兴五星减速机2000多种常用型号均有货,可以当天发货,如果不满意可以完全退货。

| Size | a | a1 | A | K | KC | KE | KM | KN(HB) | KO | M |
N(h8) |
N1 |
O |
Q |
S |
V |
b |
D(H7) |
t |
T |
||||||||
F |
FB |
FL |
F |
FB |
FL |
F |
FB |
FL |
F |
FB |
FL |
|||||||||||||||||
| 40/0.18 | 45o | 45o | 70 | 60 | 4 | 5 | 4 | M6x8(n,4) | 87 | 115 | 87 | 60 | 95 | 60 | 9(n,4) | 9.5(n,4) | 9(n,4) | 75 | 60 | 36.5 | 6.5 | 55 | 6.5 | 35 | 6(6) | 18(19) | 20.8(21.8) |
26 |
| 50/0.18 | 45o | 45o | 80 | 70 | 5 | 5 | 5 | M8x10(n,4) | 90 | 130 | 90 | 70 | 110 | 70 | 11(n,4) | 9.5(n,4) | 11(n,4) | 85 | 70 | 43.5 | 8.5 | 64 | 7 | 40 | 8(8) | 25(24) | 28.3(27.3) | 30 |
| 50/0.37 | ||||||||||||||||||||||||||||
| 63/0.37 | 45o | 45o | 100 | 85 | 6 | 5 | 6 | M8x14(n,8) | 150 | 165 | 150 | 115 | 130 | 115 | 11(n,4) | 11(n,4) | 11(n,4) | 95 | 80 | 53 | 8.5 | 80 | 8 | 50 | 8(8) | 25(28) | 28.3(31.3) | 36 |
| 63/0.55 | ||||||||||||||||||||||||||||
| 63/0.75 | ||||||||||||||||||||||||||||
| 75/0.37 | 45o | 45o | 120 | 90 | 6 | - | - | M8x14(n,8) | 165 | - | - | 130 | - | - | 14(n,4) | - | - | 115 | 95 | 57 | 11 | 93 | 10 | 60 | 8(10) | 28(35) | 31.3(38.3) | 40 |
| 75/0.55 | ||||||||||||||||||||||||||||
| 75/0.75 | ||||||||||||||||||||||||||||
| 75/1.1 | ||||||||||||||||||||||||||||
| 75/1.5 | ||||||||||||||||||||||||||||
| 90/0.55 | 45o | 45o | 140 | 100 | 6 | - | - | M10x18(n,8) | 175 | - | - | 152 | - | - | 14(n,4) | - | - | 130 | 110 | 67 | 13 | 102 | 11 | 70 | 10(10) | 35(38) | 38.3(41.3) | 45 |
| 90/0.75 | ||||||||||||||||||||||||||||
| 90/1.1 | ||||||||||||||||||||||||||||
| 90/1.5 | ||||||||||||||||||||||||||||
| 110/1.1 | 45o | 45o | 170 | 115 | 6 | - | - | M10x18(n,8) | 230 | - | - | 170 | - | - | 14(n,8) | - | - | 165 | 130 | 74 | 14 | 125 | 14 | 85 | 12 | 42 | 45.3 | 50 |
| 110/1.5 | ||||||||||||||||||||||||||||
| 110/2.2 | ||||||||||||||||||||||||||||
| 110/3.0 | ||||||||||||||||||||||||||||
| 110/4.0 | ||||||||||||||||||||||||||||
| 130/1.5 | 45o | 45o | 200 | 120 | 6 | - | - | M12x21(n,8) | 255 | - | - | 180 | - | - | 16(n,8) | - | - | 215 | 180 | 81 | 16 | 140 | 15 | 100 | 14 | 45 | 48.8 | 60 |
| Size | C | E | F | G | G1 | G3 | H | I | KA | KB | KP | KQ | L | P | R | VF | VL | VS | VR | VR1 | ||||||||
| F | FB | FL | F | FB | FL | F | FB | FL | F | FB | FL | |||||||||||||||||
| 40/0.18 | 100 | 121.5 | 43 | 183 | 78 | 134 | 50 | 40 | 67 | 76.5 | 97 | 7 | 9 | 7 | 110 | 140 | 110 | 95 | - | 95 | 71 | 87 | 71.5 | 151 | 118 | 85 | 110 | 110 |
| 50/0.18 | 120 | 144 | 49 | 193 | 92 | 145 | 60 | 50 | 90 | 87.5 | 120 | 9 | 10 | 9 | 125 | 160 | 125 | 110 | - | 110 | 85 | 100 | 84 | 161 | 128 | 85 | 110 | 110 |
| 50/0.37 | 190 | 154 | 173 | 140 | 85 | 110 | 110 | |||||||||||||||||||||
| 63/0.37 | 144 | 174 | 67 | 205 | 112 | 169 | 72 | 63 | 82 | 99 | 112 | 10 | 11 | 10 | 180 | 200 | 180 | 142 | - | 142 | 103 | 110 | 102 | 186 | 153 | 85 | 110 | 110 |
| 63/0.55 | 234 | 181 | 203 | 170 | 110 | 120 | 120 | |||||||||||||||||||||
| 63/0.75 | 234 | 181 | 203 | 170 | 110 | 120 | 120 | |||||||||||||||||||||
| 75/0.37 | 172 | 205 | 72 | 223 | 120 | 187 | 86 | 75 | 111 | - | - | 13 | - | - | 200 | - | - | 170 | - | - | 112 | 140 | 119 | 198 | 165 | 85 | 110 | 110 |
| 75/0.55 | 252 | 198 | 215 | 182 | 110 | 120 | 120 | |||||||||||||||||||||
| 75/0.75 | 252 | 198 | 215 | 182 | 110 | 120 | 120 | |||||||||||||||||||||
| 75/1.1 | 259.5 | 207.5 | 199 | 177 | 110 | 150 | - | |||||||||||||||||||||
| 75/1.5 | 300.5 | 227.5 | 219 | 197 | 110 | 150 | - | |||||||||||||||||||||
| 90/0.55 | 208 | 238 | 74 | 269 | 140 | 215 | 103 | 90 | 111 | - | - | 13 | - | - | 210 | - | - | 200 | - | - | 130 | 160 | 135 | 230 | 197 | 110 | 120 | 120 |
| 90/0.75 | 269 | 215 | 230 | 197 | 110 | 120 | 120 | |||||||||||||||||||||
| 90/1.1 | 276.5 | 224.5 | 214 | 192 | 110 | 150 | - | |||||||||||||||||||||
| 90/1.5 | 317.5 | 244.5 | 234 | 212 | 110 | 150 | - | |||||||||||||||||||||
| 110/1.1 | 252.5 | 295 | - | 307 | 155 | 255 | 128 | 110 | 131 | - | - | 15 | - | - | 280 | - | - | 260 | - | - | 144 | 200 | 168 | 234 | 212 | 110 | 120 | - |
| 110/1.5 | 348 | 275 | 254 | 232 | 110 | 150 | - | |||||||||||||||||||||
| 110/2.2 | 368 | 291 | 298 | 260 | 110 | 160 | - | |||||||||||||||||||||
| 110/3.0 | 368 | 291 | 298 | 260 | 110 | 160 | - | |||||||||||||||||||||
| 110/4.0 | 368 | 291 | 298 | 260 | 110 | 160 | - | |||||||||||||||||||||
| 130/1.5 | 292.5 | 335 | - | 368 | 170 | 295 | 148 | 130 | 140 | - | - | 15 | - | - | 320 | - | - | 290 | - | - | 155 | 250 | 188 | 274 | 252 | 110 | 150 | - |
| 130/2.2 | 388 | 311 | 318 | 280 | 110 | 160 | - | |||||||||||||||||||||
| 130/3.0 | 388 | 311 | 318 | 280 | 110 | 160 | - | |||||||||||||||||||||
| 130/4.0 | 388 | 311 | 318 | 280 | 110 | 160 | - | |||||||||||||||||||||








下一页:WXJ、WSJ系列圆柱蜗杆减速机
![]() |
同类推荐






